Displejs LP154W01 PIN30 izrādījās strādā un arī lampa-trubiņa, sabojājies tikai invertors
CHLBFMR PWA-TF041 DA-1A08-C003:
U3,U1=4606 BD6N1G - analog AO4606, IRF7319, 51747, BA6T14, P5003QVG
U2=OZ9910SN
Q1,Q2,Q3=tranzistori
D1,D2=dubult diodes
Transformators - 273001050289 06332
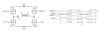
pin1=Vin 19V
pin2=Vin 19V
pin3=PWM ... DIM
pin4=Ven ... Vena
pin5
pin6=GND
pin7=GND
![]() |
| 9910 |
![]() |
| PWA-TF041 |
![]() |
| 4606 |
| AO4606 |
šeit forums - 1 2
lampa deg 600...1000V 30...60kHz , aizdegšana 1300...1500V
__________________________________________________________
Palicis no Samsung portatīvā NP-R60XYB1 sasistā LCD LTN154X3-L03
= PIN8 PWA-I/V BD,DA-1A08-SS01L
PIN1= GND
PIN2= GND
PIN3
PIN4= VEN
PIN5= PWM ___Low Frequency PWM - Duty Cycle Range 0-100 %
PIN6
PIN7=Vin 19V
PIN8=Vin 19V
U3,U1=NIKOS P5003QVG
| P5003QVG |
U2=OZ9910SN
D1,D2=dubult diodes
... varētu samainīt tikai jāsamaina barošana un PWM uz pin3 ... jāskatās, ar garākiem vadiņiem jāsavieno un jāpatestē.
______________________________________________________________
Ir vecs HP 14 collu porķiks, bet man itkā strādāja LCD, bet šodien vairs nē ...
Bet invertors strādā ... T181055.00 Ambit CK66
pin1=Vin 19V
pin2=?
pin3=VEN
pin4=?
pin5=GND
U2,U3=333
U1=OZ960S
CR1,2,3=tranzistori
______________________________________________________________
Shēma - sxem
pin1=Vin 19V
pin2=?
pin3=VEN
pin4=?
pin5=GND
U2,U3=333
U1=OZ960S
CR1,2,3=tranzistori
______________________________________________________________
Shēma - sxem
![]() |
| ... papildināta |
atradu arī īstās shēmas oz991o
VIN 32V,
GNDA, PGND +/-0.3V,
Logic Inputs -0.3V to VREF +0.3V





